Hola!

Registrándote como bakuno podrás publicar, compartir y comunicarte en privado con otros bakuos :D

Regístrame ya!

Ayuda con L293D Por Favor!!

ivanov0390

Bovino adolescente
Desde
18 Abr 2009
Mensajes
52
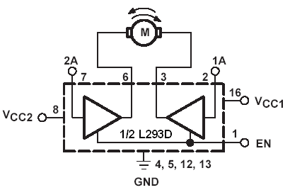
Hola amigos Ba-Kunos no es muy dificil mi problema hasta voy a pareser un tonto yo tengo conocimientos basicos en la electronica y en estos momentos estoy tratando de montar un puente "H" con la ayuda de un driver L293D ya entiendo mas o menos los diagramas pero hay terminos que aun no es lo unico que me esta deteniendo para terminar es para un carrito para controlar un motor espero y me puedan a yudar no les pido que me expliquen por completo el diagrama solo que me digan que significa 1A y EN

  • 1A
  • EN
MotoresCC_293D_ejemplo01.gif


les dejo el diagrama para que se den la idea visual de lo que les intento explicar por favor si no es mucha la molestia a toda la comunidad Ba-Kuna gracias
:(
si la imagen que les les pogo no les aparese no se que hacer por que ami si me aparese en vista previa
 
Hola amigos Ba-Kunos no es muy dificil mi problema hasta voy a pareser un tonto yo tengo conocimientos basicos en la electronica y en estos momentos estoy tratando de montar un puente "H" con la ayuda de un driver L293D ya entiendo mas o menos los diagramas pero hay terminos que un no entiendo es lo unico que me esta deteniendo para terminar es para un carrito para controlar un motor espero y me puedan a yudar no les pido que me expliquen por completo el diagrama solo que me digan que significa


  • 1A
  • EN
MotoresCC_293D_ejemplo01.gif

les dejo el diagrama para que se den la idea visual de lo que les intento explicar por favor si no es mucha la molestia
:(

Wola compañero y no te sientas mal por preguntar, lo peor seria que no lo hicieras.....bueno pasando a tu tema....no se ve la imagen jeje....asi que no se a que punto te refieras....sobre lo que pides....

Si puedes postearla se agradeceria
 
el pin enable sirve para activar o desactivar el funcionamiento del ic
las entradas inpu A y B son las de control
para que funcione deja el pin 1 con una resistencia de 1k o hasta de 100k al positivo
alimenta i ic por el pin 8 al voltaje +V y el gnd al - en cualquiera de los pines gnd el pin 16 a +5V los 5 v seran la referencia de estado alto para la entrada
ocupas las entradas 1A y 1B pines 2 y 7 respectivamente y conectas el motor entre los pines 3 y 6 luego solo juegas cambiando los estados de los las entradas 1A y 1B funcionaria de la siguiente manera
A B giro
0 1 →
1 0 ←
1 1 no gira
0 0 no gira

1 serian 5v y 0 tierra o negativo

El otro puente interno del ic funciona de la misma manera

OJO que el motor no consuma mas de 0.3 amperios sino se te va a calentar y tendrias que hacer el puente H con transistores
busca L293D en google y bajate el datashhet para la configuracion de pines
tambien hay diagramas de su uso en google
 
Volver
Arriba